Terex Atlas Tm270 Excavator Hydraulic Diagram Manual

View Terex Atlas Tm270 Excavator Hydraulic Diagram Manual PNG. 2shared gives you an excellent opportunity to store your files here and share them with others. The main products of the company are heavy and medium wheeled and tracked excavators.

Kobelco 크레인 샵 매뉴얼, 운영자 및 유지 보수 매뉴얼|operation manual ...
Kobelco 크레인 샵 매뉴얼, 운영자 및 유지 보수 매뉴얼|operation manual ... from ae01.alicdn.com
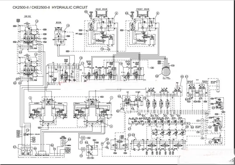
Terex ta350 ta400 articulated dump truck service manual. Here you can download file terex atlas tm270 excavator hydraulic diagram manual. Terex atlas tm270 excavator contains the detailed and full manual hydraulic diagrams and charts to help users and owners of excavators terex atlas series tm270 conduct a quality operation screenshots for terex atlas tm270 excavator hydraulic diagram manual

The company was renamed atlas terex gmbh.

Terex ta30 articulated dumptruck maintenance manual. Forums > heavy equipment forum > workshop manuals & service manuals > terex >. The main products of the company are heavy and medium wheeled and tracked excavators. Here you can download file terex atlas tm270 excavator hydraulic diagram manual.


Belum ada Komentar untuk "Terex Atlas Tm270 Excavator Hydraulic Diagram Manual"

Posting Komentar

Iklan Atas Artikel

Iklan Tengah Artikel 1

Iklan Tengah Artikel 2

Iklan Bawah Artikel